全国同城空降快餐群_全国51茶楼信息网_同城叫妹子_全国51茶楼信息网

浙轮电力主营APF有源电力滤波装置、电容器系列、电抗器系列、智能复合开关和无功补偿控制器等产品。
ZLDL-电抗器系列
ZLDL-DV/DT滤波电抗器
所属分类:ZLDL-电抗器系列

 应用电路:
异步电机变频传动,变频器输出侧,抑制开关频率纹波电流所衍生的高次谐波电流,降低长电缆行波反射dv/dt瞬变电压,从而降低电机涡流损耗及噪音,?;さ缁怠V饕τ糜诘缭吹缪构摺⒗系缁脑?、非变频电机绝缘强度较低、频繁制动、较长电缆传输场合。


性能特点


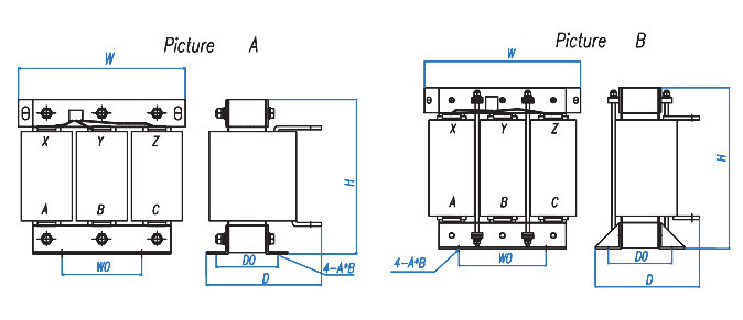
尺寸及技术参数:


dv/dt滤波器技术参数:


 备注:
产品标示A、B、C为滤波器三相输入端,X、Y、Z为滤波器三相输出端。



主站蜘蛛池模板: 汝南县| 西和县| 磐石市| 台北市| 柳河县| 延安市| 尼勒克县| 依兰县| 济阳县| 冷水江市| 濉溪县| 文昌市| 桂林市| 西乌珠穆沁旗| 澄江县| 张家川| 涡阳县| 贵港市| 松桃| 福鼎市| 玉田县| 察雅县| 陆川县| 哈尔滨市| 白银市| 江津市| 手游| 浙江省| 刚察县| 丰台区| 闻喜县| 微山县| 平顶山市| 紫金县| 湖南省| 福泉市| 方正县| 阿图什市| 宾川县| 阿尔山市| 清水县|